John Deere 1450 1450CWS 1550CWS Diagnostic Service Manual
TM4835 – John Deere 1450, 1550, 1450CWS, 1550CWS Combine (SN.047354-048750) Diag & Test Service Manual
Case Tractors TM4835 Technical Manual: The Definitive Guide
The Case Tractors TM4835 Technical Manual is an essential resource for owners, operators, and technicians of Case tractors. This John Deere Repair Manual or guide provides in-depth technical details to ensure optimal maintenance, troubleshooting, and repair of these robust machines. With precise instructions and clear diagrams, the manual simplifies complex tasks, helping users achieve peak performance and longevity from their equipment.
Key Features of the Case Tractors TM4835 Manual
The TM4835 manual is meticulously designed to cater to the needs of professionals and enthusiasts alike. Below, we outline its primary features:
1. Comprehensive Equipment Overview
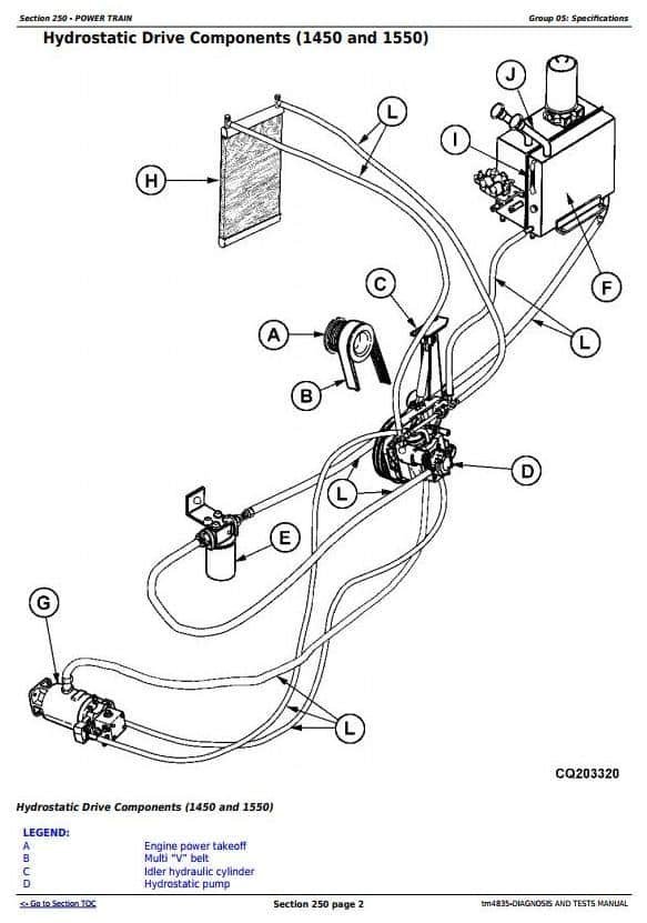
Gain a detailed understanding of your Case tractor’s components, specifications, and operational principles. The manual provides exploded views of:
- Engine Components: Cylinder arrangement, fuel systems, and cooling mechanisms.
- Transmission Systems: Gear layouts, hydraulic controls, and clutch configurations.
- Electrical Systems: Battery placement, wiring schematics, and alternator functions.
2. Step-by-Step Maintenance Guidelines
Maintenance is crucial to the longevity of any tractor. The TM4835 manual includes detailed, step-by-step instructions for:
- Oil and filter changes.
- Hydraulic fluid replacements.
- Tire pressure monitoring and adjustments.
- Routine inspections for wear and tear.
3. Troubleshooting and Diagnostics
When issues arise, the TM4835 manual equips users with the tools to diagnose and resolve problems efficiently. The troubleshooting section includes:
- Common error codes and their meanings.
- Diagnostic flowcharts for systematic problem resolution.
- Solutions for starting issues, power loss, and hydraulic malfunctions.
4. Detailed Repair Procedures
For technicians, the TM4835 manual offers precise repair instructions with clear illustrations. Topics covered include:
- Engine disassembly and reassembly.
- Replacing transmission components.
- Electrical wiring repairs and upgrades.
- Restoring hydraulic systems to factory standards.











