John Deere S540 S680 S690 Combine Diagnostic Service Manual
TM803919 – John Deere S540, S550, S660, S670, S680, S690 Combine Diagnostic and Tests Service Manual
Foreword
General
Safety
Combine and Component Identification
General Specifications
Diagnostic and Testing Procedures
Diagnostic Trouble Codes
Accessing Diagnostic Codes and Addresses
ATC – Diagnostic Trouble Codes
AYM – Diagnostic Trouble Codes
CAB – Diagnostic Trouble Codes
CRU – Diagnostic Trouble Codes
CSM – Diagnostic Trouble Codes
ECU – T2, T3 and iT4 Engines – Diagnostic Trouble Codes
EIC – Diagnostic Trouble Codes
GLM – Diagnostic Trouble Codes
JDL – Diagnostic Trouble Codes
LC1 – Diagnostic Trouble Codes
LC2 – Diagnostic Trouble Codes
MHC – Diagnostic Trouble Codes
PDU – Diagnostic Trouble Codes
PTP – Diagnostic Trouble Codes
RC1 – Diagnostic Trouble Codes
RC2 – Diagnostic Trouble Codes
SCL – Diagnostic Trouble Codes
SFC – Diagnostic Trouble Codes
SSU – Diagnostic Trouble Codes
VTi – Diagnostic Trouble Codes
XMC – Diagnostic Trouble Codes
XSC – Diagnostic Trouble Codes
Observable Symptoms
Air Intake and Cooling Systems
Electrical System
Electrical Control Units
Drives – (S540, S550, S660, S670)
Drives – (S680)
Steering and Brakes – (S540, S550, S660, S670)
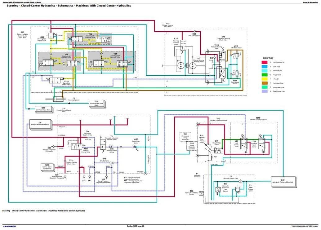
Steering and Brakes – (S680)
Hydraulic System – (S540, S550, S660, S670)
Hydraulic System – (S680)
Main Gearcase – (S540, S550, S660, S670)
Main Gearcase – (S680)
Cab/Open Operator Station
Engine System
Engine Systems
Air Intake and Cooling System
Theory of Operation
Schematics
Diagnostics
John Deere S540 S680 S690 Combine Diagnostic Service Manual
Electrical Control Units
Electrical Control Units – Summary of References
Accessing Diagnostic Trouble Codes and Addresses
Diagnostic Addresses by Control Unit
Theory of Operation
Schematics
Diagnostics
Electrical Connector – Components
General Information
X100 – X149
X150 – X199
X200 – X249
X250 – X299
X300 – X349
X350 – X399
X400 – X449
X450 – X499
X500 – X549
X550 – X599
X600 – X649
X650 – X699
X700 – X749
X750 – X799
X800 – X849
X850 – X899
X900 – X949
X950 – X999
X1000 – X1049
X4000 – X4999
X5000 – X5999
X8000 – X8999
X9000 – X9999











