Hitachi ZX140W-3 Wheel Excavator Service Repair Manual
Model: Excavator ZX140W-3
Format: PDF
Language: English
- Hitachi ZX140W-3 Wheel Excavator Operational Principle Manual (Vol. No.TOCEB-EN)
- Hitachi ZX140W-3 Wheel Excavator Troubleshooting Manual (Vol. No.TTCEB-EN)
- Hitachi ZX140W-3 Wheel Excavator Workshop Manual (Vol. No.WCEB-EN)
- Operation Manual
- Engine Manual (4JJ1)
- Parts Catalog
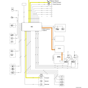
- Electrical Circuit Diagram
Table of Content of the Hitachi ZX140W-3 Manual Composition
WORKSHOP MANUAL
SECTION 1 GENERAL INFORMATION
Group 1 Precautions for disassembling and Assembling
Group 2 Tightening
Group 3 Painting
Group 4 Bleeding Air from Hydraulic Oil Tank
SECTION 2 UPPERSTRUCTURE
Group 1 Cab
Group 2 Counterweight
Group 3 Main Frame
Group 4 Pump Device
Group 5 Control Valve
Group 6 Swing Device
Group 7 Pilot Valve
Group 8 Electric Lever
Group 9 Signal Control Valve
Group 10 Travel Shockless Valve
Group 11 Solenoid Valve
Group 12 Pilot Shut-Off Solenoid Valve
Group 13 Steering Valve
Group 14 Brake Valve
Group 15 Accumulator Charging Valve
SECTION 3 UNDERCARRIAGE
Group 1 Swing Bearing
Group 2 Travel Motor
Group 3 Center Joint
Group 4 Transmission
Group 5 Axle
Group 6 Axle Lock Cylinder
Group 7 Operate-Check Valve
Group 8 Solenoid Valve
Group 9 Transmission Changeover Solenoid Valve
Group 10 Propeller Shaft
SECTION 4 FRONT ATTACHMENT
Group 1 Front Attachment
Group 2 Cylinder
Group 3 Hose-Rupture Valve
Group 4 Operate-Check Valve
TECHNICAL MANUAL (Operational Principle)
SECTION 1 GENERAL
Group 1 Specifications
Group 2 Component Layout
Group 3 Component Specifications
SECTION 2 SYSTEM
Group 1 Controller
Group 2 Control System
Group 3 ECM System
Group 4 Hydraulic System
Group 5 Electrical System
SECTION 3 COMPONENT OPERATION
Group 1 Pump Device
Group 2 Swing Device
Group 3 Control Valve
Group 4 Pilot Valve
Group 5 Electric Lever
Group 6 Transmission
Group 7 Axle
Group 8 Travel Motor
Group 9 Signal Control Valve
Group 10 Steering Valve
Group 11 Brake Valve
Group 12 Others (Upperstructure)
Group 13 Others (Undercarriage)
TECHNICAL MANUAL (Troubleshooting)
SECTION 4 OPERATIONAL PERFORMANCE TEST
Group 1 Introduction
Group 2 Standard
Group 3 Engine Test
Group 4 Excavator Test
Group 5 Component Test
SECTION 5 TROUBLESHOOTING
Group 1 Diagnosing Procedure
Group 2 Monitor Unit
Group 5 Component Layout
Group 6 Troubleshooting A
Group 7 Troubleshooting B
Group 8 Electrical System Inspection
The Hitachi manual consists of the Service Manual and the Workshop Manual.
- Information included in the Service Manual: Technical information needed for redelivery and delivery, operation and activation of all devices and systems, operational performance tests, and troubleshooting procedures.
- Information included in the Workshop Manual: Technical information needed for maintenance and repair of the machine, tools and devices needed for maintenance and repair, maintenance standards, and removal / installation and assemble / disassemble procedures.
To avoid injury and damage refer to the service manual and be sure to use appropriate lifting techniques and equipment when lifting heavy parts.












