Table of Content (Service Manual)
- General Information and Safety
- Specifications
- Location and Weight of Components
- Maintenance Standard and Test Procedures
- Torque Specifications and Working Standard
- Hydraulic System
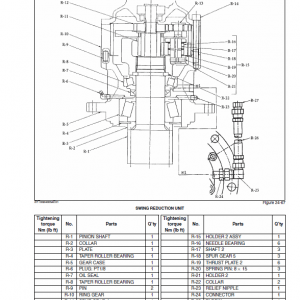
- Upper Structure
- Travel System
- Control System
- Electrical System
- Troubleshooting
- Hydraulic Pump
- Control Valve
- Motor Unit
- Engine
The Manual Preface
This manual has been written for the repair specialist. The serviceman may be unfamiliar with many of the systems on this E70. This makes it important to use this repair manual when performing service work. A knowledge of the system and or components is important before the removal or disassembly of any component in the Excavator.
Sections of the Manual
The Manual is divided into main groups and subgroups, and covers any previous version. Any additions or modifications which can happen at a later date are not describe in this manual. The required information can easily be found by referring to the table of contents. For reasons of clarity, some of the illustrations are presented in simplified form in this service manual.
Repair and Parts E70 Excavator
When carrying any repair or maintenance on the Excavator ensure you read the safety guideline beforehand. This will prevent any incident and ensure that the best practices in the manual is followed. When doing any work on the Excavator, always observe the instructions given in the Workshop Manual. Extensive works not described in the manual will gladly be executed for you by your dealer. Always use original spare parts when replacing any component.












