Ford 8160, 8260, 8360, 8560 Tractor Service Manual
Brand: Ford New Holland
Equipment Type: Tractor 8160, 8260, 8360, 8560
Format: PDF
Language of the Manual: English
Publication: Heavy Equipment
Ford New Holland Tractor 8160, 8260, 8360, 8560 Service Manual: 1414 Pages
Table of Content of the 8160, 8260, 8360, 8560 Tractor Manual:
SECTION 1 ENGINES
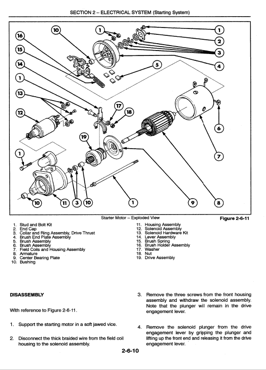
SECTION 2 ELECTRICAL SYSTEM
SECTION 3 CLUTCH
SECTION 4 TRANSMISSIONS
SECTION 5 MECHANICAL REAR WHEEL DRIVE
SECTION 6 BRAKES
SECTION 7 POWER TAKE-OFF
SECTION 8 HYDRAULIC SYSTEM
SECTION 9 DRIVE LINES FWD
SECTION 10 CAB
FOREWORD
Appropriate service methods and correct repair procedures are essential for the safe, reliable operation of all equipment, as well as the personal safety of the individual performing the repair.
The official diagnostic and maintenance manual is an indispensable tool for maintaining your machine’s efficiency and reliability. It includes in-depth technical data for every system—engine, hydraulic, electrical, and transmission.
Using this guide, you can quickly diagnose issues, perform regular inspections, and restore your equipment to factory specifications. Clear diagrams, maintenance schedules, and fault codes simplify even the most complex repairs. Perfect for operators and professional technicians, this manual ensures safety, precision, and performance in every maintenance task.










