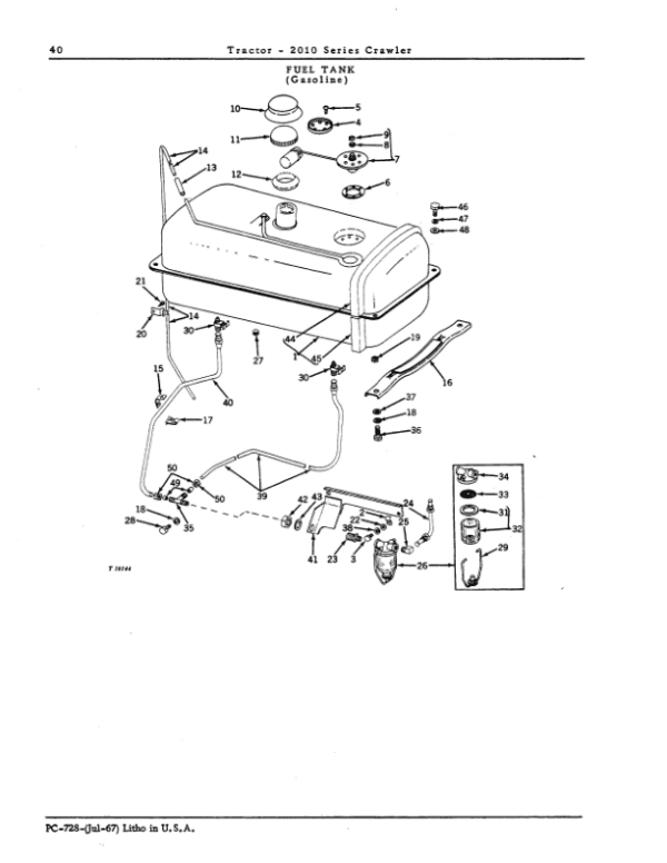
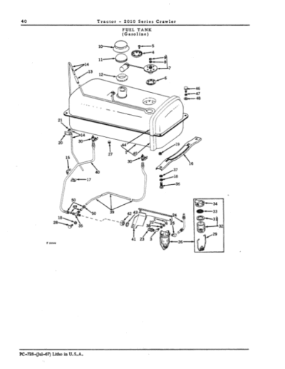
John Deere 2010 Crawlers Parts Catalog Manual
The part numbers in this Parts Catalog (PC728) were correct at the time of publication. Therefore, when ordering parts verify the part numbers with your dealer.
Timberjack Model: 2010
Type: Parts Catalog
Serial Number: All
Language: English
Format: PDF
Publication: PC728
- John Deere 2010 Crawlers Parts Catalog – 250 Pages
John Deere 2010 Crawlers Parts Catalog Manual
The part numbers in this Parts Catalog (PC728) were correct at the time of publication. Therefore, when ordering parts verify the part numbers with your dealer.
SI Units of Measure
Metric dimensions are provided as applicable throughout this parts catalog.
Bolt and Cap Screw Strength Identification
Bolts and cap screws required to have high-strength qualities equivalent to metric property class 10.9 (SAE grade 8) or higher are identified throughout this catalog by the description 10.9, 12.9 or 14.9. All standard bolts and cap screws are metric property class 8.8 (SAE grade 5) or lower.
Serial Number Listing Information
Serial number information is listed to show on which machines each part can be used for example:
000000 – The part can be used on products beginning with the serial number listed.
– 000000 The part can be used on products up to and including the serial number listed.
000000 – 000000 The part can be used on products between and including the serial number listed.
When XXXXXX’s are listed in place of a serial number, a serial number change was made, but the exact serial number was not available at the time of publication.









