John Deere S560 S690i Diagnostic and Test Manual
Inside, John Deere Service Manual you’ll find step-by-step guidance on diagnostics, maintenance schedules, and repair procedures. Key sections often include hydraulic systems, engine specifications, electrical diagrams, and troubleshooting techniques. With clear illustrations and comprehensive data, these manuals are essential for ensuring your equipment operates at peak performance.
TM102819 – John Deere S560, S690, S560i, S690i & Hill Master Combines Diagnostic and Test Manual
John Deere S560 S690i Diagnostic and Test Manual
Foreword
General
Safety
Combine and Component Identification
General Specifications
Diagnostic and Testing Procedures
Diagnostic Trouble Codes
Accessing Diagnostic Codes and Addresses
ADU – Armrest Display Unit
CAB – Control Unit CAB and Cab Power Module Diagnostic Trouble Codes
CDU – Corner post Display Unit
ECU – Control Unit ECU Diagnostic Trouble Codes
Green Star Display Warning Messages and Fault Codes
Green Star Key Card and Data Storage Card Warning Messages
Green Star Mobile Processor Warning Messages
HARVEST DOC Warning Messages
HMM – Harvest Moisture Meter
LC1 – Control Unit LC1 and Left Power Module 1 Diagnostic Trouble Codes
LC2 – Control Unit LC2 and Left Power Module 2 Diagnostic Trouble Codes
PTP – Startup Codes
PTP – Control Unit PTP Diagnostic Trouble Codes
RCU – Control Unit RCU and Right Power Module Diagnostic Trouble Codes
SFC – Control Unit SFC Diagnostic Trouble Codes
SSU – Control Unit SSU Diagnostic Trouble Codes
SSU – Last Exit Codes
LCR – Star Fire Receiver 300 Diagnostic Trouble Codes
Star Fire Receiver (iTC and 3000) Diagnostic Trouble Codes
Star Fire Receiver Warning Messages
Terrain Compensation Module Diagnostics Trouble Codes
VCM – Control Unit VCM Diagnostic Trouble Codes
Guidance – Universal Row Guidance Diagnostic Trouble Codes
VTi – Green Star Display 2100/2600
Observable Symptoms
Engine System
Air Intake and Cooling Systems
Electrical System
Power Train System
Four-Wheel Drive System
Brake System
Hydraulic System
Main Gear case System
Steering System
Heating, Ventilating and Air Conditioning System
Separator System
Engine System
General Information
Test Procedures and Adjustments
Engine Type Identification
Engine Diagnostics – Type B
Engine Diagnostics – Type C
Component Identification and Location
Air Intake and Cooling System
General Information
Test Procedures and Adjustments
Air Intake System Diagnostics
Cooling Package Type Identification
Cooling Package Diagnostics – Type A
Cooling Package Diagnostics – Type B
Component Identification and Location
Electrical System
How To Use This Diagnostic Information
Accessing Diagnostic Trouble Codes and Addresses
Diagnostic Addresses by Controller
Machine Setting Addresses
Diagnostic Trouble Codes, Warning Messages and Fault Codes
Calibration Procedures
Active Header Height Control Type Identification
Active Header Height Diagnostics – Type A
Active Header Height Diagnostics – Type B
Active Header Height Diagnostics – Type C
Active Header Height Diagnostics – Type D
Active Header Height Diagnostics – Type E
Active Header Height Diagnostics – Type F
Active Header Height Diagnostics – Type G
Active Header Height Diagnostics – Type H
Air Seat Diagnostics
Alternator and Battery Diagnostics
Area Counter Diagnostics
Armrest Display Unit Overall Diagnostics
Auxiliary Power Strip Outlet Diagnostics
Backup Alarm Type Identification
Backup Alarm Diagnostics – Type A
Backup Alarm Diagnostics – Type B
CAN Bus Diagnostics
Chaff Spreader Speed Sensor Diagnostics
Chassis Tilt Diagnostics
Chopper Raise/Lower Type Identification
Chopper Raise/Lower Diagnostics – Type A
Chopper Raise/Lower Diagnostics – Type B
Premium Chopper Diagnostics
Chopper Speed Sensor Diagnostics
Chopper Vane Angle Diagnostics
Clean Grain Elevator Speed Sensor Diagnostics
Cleaning Fan Speed Adjust Diagnostics
Cleaning Fan Speed Display Diagnostics
Control Unit CAB/CPM Overall Diagnostics
Control Unit CDU Overall Diagnostics
Control Unit ECU Overall Type Identification
Control Unit ECU Overall Diagnostics – Type A
Control Unit ECU Overall Diagnostics – Type B
Control Unit LC1/LPM1 Overall Diagnostics
Control Unit LC2/LPM2 Overall Diagnostics
Control Unit PTP Overall Diagnostics
Control Unit RCU/RPM Overall Diagnostics
Control Unit SFC Overall Diagnostics
Control Unit SSU Overall Diagnostics
Control Unit VCM Overall Diagnostics
Conveyor Auger Speed Sensor Diagnostics
Corn Head Chopper Speed Sensor Diagnostics
Cutter bar Pressure Adjust Diagnostics
Deck Plate Adjust Type Identification
Deck Plate Adjust Diagnostics – Type A
Deck Plate Adjust Diagnostics – Type B
Deck Plate Display Diagnostics
Deck Plate Resume Diagnostics
Discharge Beater Speed Sensor Diagnostics
Draper Cutter bar Tilt Adjust Diagnostics
Draper Frame Float Diagnostics – Type Identification
Draper Frame Float Diagnostics – Type A
Draper Frame Float Diagnostics – Type B
Draper Speed Adjust Type Identification
Draper Speed Adjust Diagnostics – Type A
Draper Speed Adjust Diagnostics – Type B
Electric Fuel Pump Type Identification
Electric Fuel Pump Diagnostics – Type B
Electric Fuel Pump Diagnostics – Type C
Engine Air Filter Sensor Diagnostics
Engine and Fuel Control Type Identification
Engine and Fuel Control Diagnostics – Type B
Engine and Fuel Control Diagnostics – Type C
Engine Coolant Temperature Sensor Diagnostics
Engine Oil Pressure Sensor Diagnostics
Feed Accelerator Speed Sensor Diagnostics
Feeder House Filter Switch – Type Identification
Feeder House Filter Switch Diagnostics – Type A
Feeder House Filter Switch Diagnostics – Type B
Feeder House Pressure Sensor Diagnostics
Feeder House Reverse Diagnostics
Feeder House Speed Adjust Type Identification
Feeder House Speed Adjust Diagnostics – Type A
Feeder House Speed Adjust Diagnostics – Type B
Feeder House Speed Display Diagnostics
Folding Corn Head Type Identification
Folding Corn Head Diagnostics – Type A
Folding Corn Head Diagnostics – Type B
Four-Wheel Drive Diagnostics
Fuel Level Display Diagnostics
Grain Level Switch Type Identification
Grain Level Switch Diagnostics – Type A
Grain Level Switch Diagnostics – Type B
Grain Loss Monitor Diagnostics
Grain Tank Cover Diagnostics
Green Star – Data Card Type Identification
Green Star – Data Card Diagnostics – Type A
Green Star – Data Card Diagnostics – Type B
Green Star – Display Type Identification
Green Star – Display Diagnostics – Type A
Green Star – Display Diagnostics – Type B
Green Star – Display Diagnostics – Type C
Green Star – Documentation Type Identification
Green Star – Documentation Diagnostics – Type A
Green Star – Documentation Diagnostics – Type B
Green Star – Mobile Processor Diagnostics
Green Star – RTK Type Identification
Green Star – RTK Diagnostics – Type A
Green Star – RTK Diagnostics – Type B
Green Star – RTK Diagnostics – Type C
Green Star – Star Fire Receiver Type Identification
Green Star – Star Fire Receiver Diagnostics – Type A
Green Star – Star Fire Receiver Diagnostics – Type B
Green Star – Star Fire Receiver Diagnostics – Type C
Green Star – Star Fire Receiver Diagnostics – Type D
Green Star – Star Fire Receiver Diagnostics – Type E
Green Star – Star Fire Receiver Diagnostics – Type F
Green Star – Steering – Auto Type Identification
Green Star – Steering – Auto Diagnostics – Type A
Green Star – Steering – Auto Diagnostics – Type B
Green Star – Steering – Auto Diagnostics – Type C
Green Star – Steering – Auto Diagnostics – Type D
Green Star – Steering – Auto Diagnostics – Type E
Green Star – Steering – Manual Type Identification
Green Star – Steering – Manual Diagnostics – Type A
Green Star – Steering – Manual Diagnostics – Type B
Ground Speed Display – Type Identification
Ground Speed Display Diagnostics – Type A
Ground Speed Display Diagnostics – Type B
Harvest Monitor Diagnostics
Header Engage Type Identification
Header Engage Diagnostics – Type A
Header Engage Diagnostics – Type B
Header Identification Diagnostics
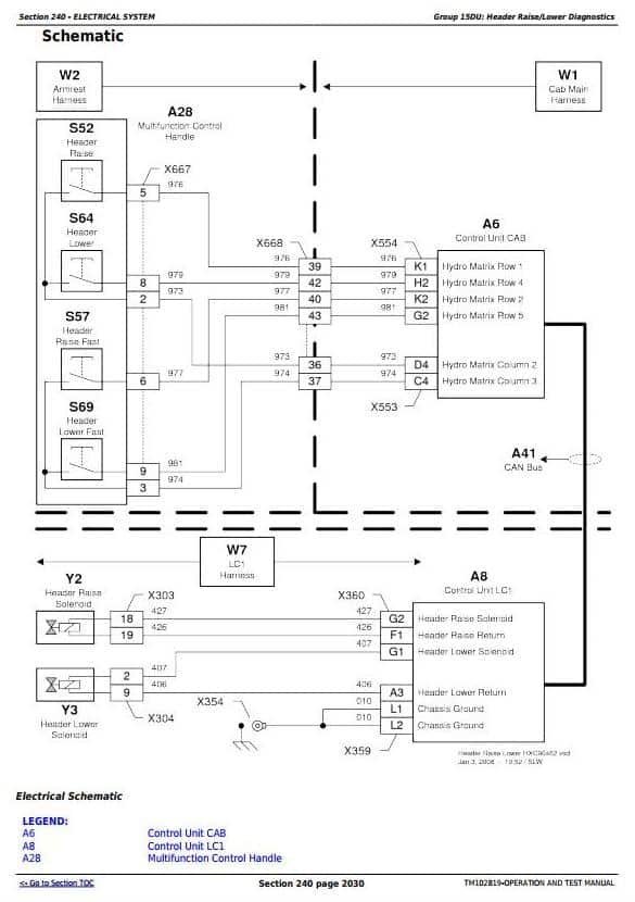
Header Raise/Lower Diagnostics
Heating, Ventilating and Air Conditioning Diagnostics
Horn Diagnostics
Hydraulic Oil Temperature Sensor Diagnostics
Hydrostatic Charge Pressure Switch Diagnostics
Hydrostatic Drive Control Diagnostics – Automatic Feed Rate Type Identification
Hydrostatic Drive Control Diagnostics – Automatic Feed Rate – Type A
Hydrostatic Drive Control Diagnostics – Automatic Feed Rate – Type B
Hydrostatic Drive Control Diagnostics – Manual
John Deere S560 S690i Diagnostic and Test Manual
Lateral Tilt – Automatic Diagnostics
Lateral Tilt – Display Diagnostics
Lateral Tilt – Manual Diagnostics
Lighting – Beacon Lights Diagnostics
Lighting – Brake Light Diagnostics
Lighting – Dome Light Diagnostics
Lighting – Draper Transport Lights Diagnostics
Lighting – Engine Service Lights Diagnostics
Lighting – Field Lights Type Identification
Lighting – Field Lights Diagnostics – Type B
Lighting – Field Lights Diagnostics – Type D
Lighting – Gulling Service Lights Diagnostics
Lighting – Hazard Lights Type Identification
Lighting – Hazard Lights Diagnostics – Type B
Lighting – Marker Lights Type Identification
Lighting – Marker Lights Diagnostics – Type B
Lighting – Panel Lights Diagnostics
Lighting – Road Lights Type Identification
Lighting – Road Lights Diagnostics – Type B
Lighting – Road Lights Diagnostics – Type C
Lighting – Shoe Service Lights Diagnostics
Lighting – Side Finder Lights Diagnostics
Lighting – Unloading Auger Light Diagnostics
Lighting – Work Lights Diagnostics
Local Link System – CAB/CPM Diagnostics
Local Link System – LC1/LPM1 Diagnostics
Local Link System – LC2/LPM2 Diagnostics
Local Link System – RCU/RPM Diagnostics
Mass Flow Sensor Diagnostics
Main Gear case Filter Switch Diagnostics
Main Gear case Pressure Sensor Diagnostics
Main Gear case Temperature Sensor Diagnostics
Mirror System – Aiming Diagnostics
Mirror System – Heater Diagnostics
Moisture Sensor Diagnostics
Parking Brake Alert Diagnostics
Power Distribution – Fuse Center Diagnostics
Power Distribution – Wake-up Power Diagnostics
Quick Stop Diagnostics
Radio Diagnostics
Reel Fore/Aft Adjust Type Identification
Reel Fore/Aft Adjust Diagnostics – Type A
Reel Fore/Aft Adjust Diagnostics – Type B
Reel Raise/Lower Type Identification
Reel Raise/Lower Diagnostics – Type A
Reel Raise/Lower Diagnostics – Type B
Reel Raise/Lower Diagnostics – Type C
Reel Raise/Lower Diagnostics – Type D
Reel Resume – Fore/Aft Diagnostics
Reel Resume – Raise/Lower Diagnostics
Reel Reverse Diagnostics
Reel/Belt Speed – Automatic Adjust Diagnostics
Reel/Belt Speed – Manual Adjust Diagnostics
Remote Chaffer Adjust Diagnostics
Remote Sieve Adjust Diagnostics
Road/Field Diagnostics
Road Speed Limit Type Identification
Road Speed Limit Diagnostics – Type A
Road Speed Limit Diagnostics – Type B
Row Guidance Diagnostics – Type Identification
Row Guidance Diagnostics – Type A
Row Guidance Diagnostics – Type B
Separator Engage Diagnostics
Service Brake Charge Pressure Diagnostics
Straw Spreader Speed Adjust Diagnostics
Straw Spreader Speed Sensor Diagnostics
Start Aid Diagnostics
Starter Diagnostics
Tailings Elevator Speed Sensor Diagnostics
Tailings Monitor Diagnostics
Threshing Clearance Adjust Diagnostics
Threshing Clearance Display Diagnostics
Threshing Speed Adjust Diagnostics
Threshing Speed Display Diagnostics
Transmission – Differential Lock Diagnostics
Transmission – Parking Brake Engage Diagnostics
Transmission – Shift Lock Diagnostics
Transmission – Speed Limit Diagnostics
Transmission – Two Range Automatic Diagnostics
Unloading Auger Engage Diagnostics
Unloading Auger Fold Diagnostics
Unloading Auger Swing Diagnostics
Windshield Washer/Wiper Diagnostics
Circuit Code Listing
Connector Information
Connector Repair Procedures
Power Train System
General Information
Test Procedures and Adjustments
Final Drive Diagnostics
Transmission Type Identification
Transmission Diagnostics – Type A
Transmission Diagnostics – Type B
Hydrostatic Drive Type Identification
Hydrostatic Drive Diagnostics – Type A
Hydrostatic Drive Diagnostics – Type B
Hydrostatic Drive Diagnostics – Type C
Component Identification and Location
Four-Wheel Drive System
General Information
Test Procedures and Adjustments
Two Speed Four-Wheel Drive – Type Identification
Two Speed Four-Wheel Drive Diagnostics – Type A
Two Speed Four-Wheel Drive Diagnostics – Type B
Component Identification and Location
Brake System
General Information
Test Procedures and Adjustments
Park Brake Type Identification
Park Brake Diagnostics – Type A
Park Brake Diagnostics – Type B
Service Brakes Type Identification
Service Brakes Diagnostics – Type A
Service Brakes Diagnostics – Type B
Component Identification and Location
Hydraulic System
General Information
Test Procedures And Adjustments
Basic Hydraulic System Type ID
Basic Hydraulic System Diagnostics – Type A
Basic Hydraulic System Diagnostics – Type B
Belt Pickup Drive Type Identification
Belt Pickup Drive Diagnostics – Type A
Belt Pickup Drive Diagnostics – Type B
Belt Pickup Drive Diagnostics – Type C
Chassis Tilt Diagnostics
Cutter bar Pressure Adjust Diagnostics
Deck Plate Adjust Diagnostics Type Identification
Deck Plate Adjust Diagnostics – Type A
Deck Plate Adjust Diagnostics – Type B
Draper Auger Drive Diagnostics
Draper Belt Drive Type Identification
Draper Belt Drive Diagnostics – Type A
Draper Belt Drive Diagnostics – Type B
Draper Cutter bar Pressure Diagnostics
Draper Cutter bar Tilt Diagnostics
Draper Frame Float Diagnostics Type Identification
Draper Frame Float Diagnostics – Type A
Draper Frame Float Diagnostics – Type B
Draper Frame Float Diagnostics – Type C
Feeder House Gear case Cooler Diagnostics
Feeder House Reverser Shift Diagnostics
Feeder House Speed Adjust Type Identification
Feeder House Speed Adjust Diagnostics – Type A
Feeder House Speed Adjust Diagnostics – Type B
Folding Corn Head Diagnostics
Header Raise/Lower Diagnostics
Hydraulic System Overheating Diagnostics
Lateral Tilt Type Identification
Lateral Tilt Diagnostics – Type A
Lateral Tilt Diagnostics – Type B
Multi-coupler Diagnostics
Reel Drive Type Identification
Reel Drive Diagnostics – Type A
Reel Drive Diagnostics – Type B
Reel Fore/Aft Type Identification
Reel Fore-Aft Diagnostics – Type A
Reel Fore-Aft Diagnostics – Type B
Reel Raise/Lower Type Identification
Reel Raise-Lower Diagnostics – Type A
Reel Raise-Lower Diagnostics – Type B
Reel Raise-Lower Diagnostics – Type C
Reel Raise-Lower Diagnostics – Type D
Spreader System Type Identification
Spreader Diagnostics – Type A
Spreader Diagnostics – Type B
Spreader Diagnostics – Type C
Threshing Speed Adjust Diagnostics
Unloading Auger Swing Diagnostics
Windscreen Raise-Lower Diagnostics
Component Identification and Location
Main Gear case System
General Information
Test Procedures and Adjustments
Main Gear case Overall Diagnostics Type Identification
Main Gear case Overall Diagnostics Type A
Main Gear case Overall Diagnostics Type B
Main Gear case Filter Restricted Diagnostics
Main Gear case Pressure Low Diagnostics Type Identification
Main Gear case Pressure Low Diagnostics – Type A
Main Gear case Pressure Low Diagnostics – Type B
Main Gear case Temperature High Diagnostics
Separator Engage Diagnostics
Unloading Auger Engage Diagnostics
Component Identification and Location
Steering System
General Information
Test Procedures and Adjustments
Steering System Type Identification
Steering Diagnostics – Type A
Steering Diagnostics – Type B
Component Identification and Location
Heating, Ventilating and Air Conditioning System
General Information
Test Procedures and Adjustments
Heating, Ventilation and Air Conditioning Diagnostics
Component Identification and Location
Separator System
General Information
Separator Vibration Diagnostics
Component Identification and Location









