Language English
Format: PDF
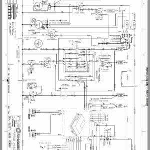
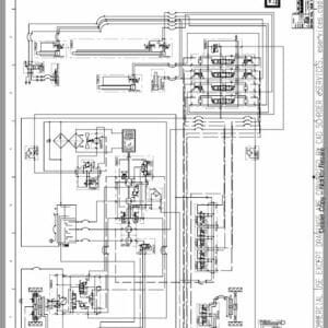
Wiring and Hydraulic Schematics are included.
- Bobcat T3071, T3071CD, T3093S, T3093CD versaHANDLER Telescopic Operation Manual – 123 Pages
These Operation and Maintenance manual contains all the information required to assist you or a trained service engineers with all work, repairs and maintenance on this VersaHANDLER Telescopic.
Operation and Maintenance Manual Content:
CONTENTS …..I
FOREWORD …..III
SAFETY ….1
OPERATING INSTRUCTIONS ……11
PREVENTIVE MAINTENANCE …..39
ATTACHMENTS …….61
OPTIONS ……79
T3071 SPECIFICATIONS …..87
T3093S SPECIFICATIONS ……95
T3093CD SPECIFICATIONS ….103
Bobcat T3071, T3071CD, T3093S, T3093CD manual instructions are necessary before operating or servicing machine. Read and understand the Operation & Maintenance Manual, Operator s Handbook and signs (decals) on machine. Follow warnings and instructions in the manuals when making repairs, adjustments or servicing. Check for correct function after adjustments, repairs or service. Untrained operators and failure to follow instructions can cause injury or death.
These manual is for the Bobcat T3071, T3071CD, T3093S, T3093CDTL30.70 VersaHANDLER Telescopic. It provides necessary servicing and adjustment procedures for the Bobcat T3071, T3071CD, T3093S, T3093CD VersaHANDLER Telescopic and its component parts and systems. Refer to the Operation & Maintenance Manual and service manual for operating instructions, repair, starting procedure, daily checks, etc.












