John Deere 320 Skid Steer Diagnostic Service Manual
JOHN DEERE 317 320 CT322 SKID STEER Repair Service Manual
Operation and Test Manual
John Deere 317, 320 Skid Steer Loader; CT322 Compact Track Loader Diagnostic Service Manual
- Operator’s Manual: 472 pages (TM2151)
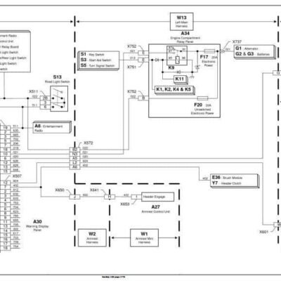
This is written for an experienced technician and Owners. Essential tools required in performing certain service work are identified in this manual and are recommended for use. Read the safety messages in the introduction of this manual and the cautions presented throughout the text of the manual.
They are divided in two parts: repair and operation and tests. Repair sections tell how to repair the components. Operation and tests sections help you identify the majority of routine failures quickly. Information is organized in groups for the various components requiring service instruction. At the beginning of each group are summary listings of all applicable essential tools, service equipment and tools, other materials needed to do the job, service parts kits, specifications, wear tolerances, and torque values.
These are concise guides for specific machines and are on-the-job guides containing only the vital information needed for diagnosis, analysis, testing, and repair.










