John Deere 204 G Loaders (SN 1LU204GA_ _B_67466-) Parts Catalog Manual
The part numbers in this Parts Catalog (PC15471) were correct at the time of publication. Therefore, when ordering parts verify the part numbers with your dealer.
John Deere Model: 204 G
Type: Parts Catalog
Serial Number: 1LU204GA_ _B_67466
Language: English
Format: PDF
Publication: PC15471
- John Deere 204 G Loaders (SN 1LU204GA_ _B_67466-) Parts Catalog – 440 Pages
John Deere 204 G Loaders (SN 1LU204GA_ _B_67466-) Parts Catalog Manual
The part numbers in this Parts Catalog (PC15471) were correct at the time of publication. Therefore, when ordering parts verify the part numbers with your dealer.
SI Units of Measure
Metric dimensions are provided as applicable throughout this parts catalog.
Bolt and Cap Screw Strength Identification
Bolts and cap screws required to have high-strength qualities equivalent to metric property class 10.9 (SAE grade 8) or higher are identified throughout this catalog by the description 10.9, 12.9, or 14.9. All standard bolts and cap screws are metric property class 8.8 (SAE grade 5) or lower.
John Deere 204 G Loaders (SN 1LU204GA_ _B_67466-) Parts Catalog Manual – What’s Inside
If you are looking for the John Deere 204 G Loaders (SN 1LU204GA_ _B_67466-) Parts Catalog Manual, you probably need a detailed reference to identify and order the right parts for your loader. This catalog is a must-have for mechanics, operators, and anyone doing maintenance on this machine. Here’s what you can expect inside:
📖 Contents of the Parts Catalog Manual
Complete Parts Listings – Every component of the 204 G Loader is listed with part numbers.
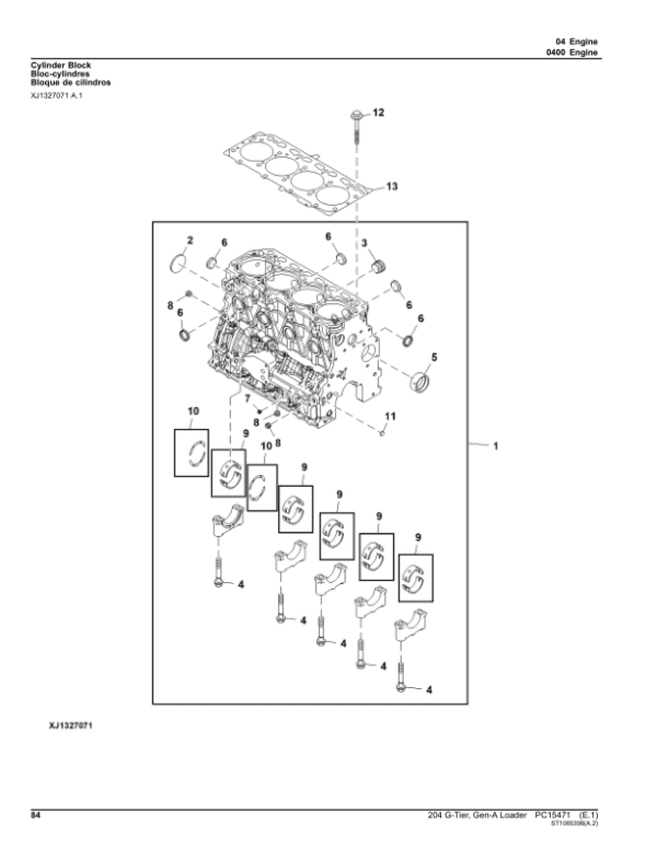
Exploded Diagrams – Clear illustrations show each assembly, making it easy to identify where parts go.
Engine & Powertrain Sections – Covers engine components, fuel system, transmission, axles, and driveline.
Hydraulic System Breakdown – Includes pumps, valves, cylinders, and hose routing diagrams.
Electrical System Diagrams – Detailed wiring schematics for troubleshooting.
Frame & Body Sections – Cab, chassis, loader arms, and bucket parts listed and illustrated.
Alphabetical & Numerical Index – Quickly find the part number you require.
Ordering Information – Helps ensure you get the correct OEM replacement parts.
✅ Why This Manual Is Useful
Speeds up repair and maintenance work
Reduces errors when ordering parts
Ideal for workshops, dealers, and owners who want OEM accuracy
If you own or service a John Deere 204 G Loader, this catalog manual is the best reference to keep your machine running smoothly.











