Hitachi ZW220-6 Wheel Loader Service Repair Manual
The manual is applicable for the Hitachi ZW220-6 Wheel Loader Model
Format: PDF
Language: English
Service Manual consists of the following:
For Model ZW220-6 as mentioned above:
Service Manual (Troubleshooting) : Vol. No.TTNEK50-EN
Operation Manual : Vol. No.TONEK50-EN
Workshop Manual : Vol. No.WNEK50-EN
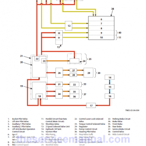
Circuit diagram
Table of Content of the Workshop Manual
SECTION 1 GENERAL INFORMATION
Group 1 Precautions for Disassembling and
Assembling
Group 2 Tightening
Group 3 Painting
Group 4 Bleeding Air
Group 5 Preparation
SECTION 2 MAINTENANCE STANDARD
Group 1 Body
Group 2 Front Attachment
SECTION 3 BODY
Group 1 Cab
Group 2 Counterweight
Group 3 Center Hinge
Group 4 Engine
Group 5 Radiator Assembly
Group 6 Hydraulic Oil Tank
Group 7 Fuel Tank
Group 8 Pump Device
Group 9 Control Valve
Group 10 Pilot Valve
Group 11 Brake Charge Valve
Group 12 Manifold Valve
Group 13 Solenoid Valve
Group 14 Flow Regulator Valve
Group 15 Cooling Fan System
Group 16 Ride Control Device
Group 17 Battery Disconnect Switch
Group 18 Aftertreatment Device
Group 19 DEF Tank
Group 20 Coolant Control Valve
Group 21 DEF Supply Module
Group 22 Exterior Components
Manual guide composition
Hitachi ZAXIS ZW220-6 service manual consists of the Troubleshooting and the Workshop Manual.
- Information included in the Service Manual: Technical information needed for redelivery and delivery, operation and activation of all devices and systems, operational performance tests, and troubleshooting procedures.
- Information included in the Workshop Manual: Technical information needed for maintenance and repair of the machine, tools and devices needed for maintenance and repair, maintenance standards, and removal / installation and assemble / disassemble procedures.
Fault code 5010-12 Signal Error in Forward/ Reverse Lever
This fault code may arise when there is a broken harness between forward/reverse lever and TCU.
Shorted circuit in power circuit or grounding to the body because of faulty harness.
Faulty forward/reverse lever.
This need to be fixed by checking the harness between TCU and forward/reverse lever.
Check the combination signal of each position at F-N-R speed shift in the forward/ reverse lever.












