Table of Contents
SPECIFICATIONS
ATTACHMENT DIMENSIONS
MAINTENANCE
TOOLS
STANDARD MAINTENANCE TIME SCHEDULE
MAINTENANCE STANDARD AND TEST PROCEDURE
SYSTEM
MECHATRO CONTROL SYSTEM
HYDRAULIC SYSTEM
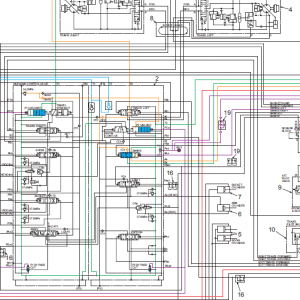
ELECTRIC SYSTEM
COMPONENTS SYSTEM
AIR-CONDITIONER SYSTEM
DISASSEMBLING
DISASSEMBLING AND ASSEMBLING
ATTACHMENT
UPPER STRUCTURE
TRAVEL SYSTEM
TROUBLESHOOTING
BY ERROR CODES
BY TROUBLE
TROUBLE DIAGNOSIS MODE
E/G
ENGINE
The New Holland manual is applicable for the model namely : E135BSR
It provides important information on carrying out repair work expertly. Please go carefully through the Workshop Manual of the wheeled excavator before starting any repair work. Use the Workshop Manual as a reference book and source of information even if you are familiar with wheeled excavator technology. Using the Workshop Manual, the experience construction machine mechanic can carry out any necessary repairs expertly.
Sections of the Manual
The Manual is into main groups and subgroups, and covers any previous version of the machine. Any additions or modifications which can happen at a later date are not describe in this manual. The require information can easily be found by referring to the table of contents. For reasons of clarity, some of the illustrations are present in simplified form. Differences from the actual version at the E135BSR wheeled excavator are therefore possible if this adds to the clarity of the information.
REPAIR and Parts
Carry out any necessary repair work as soon as possible. This reduces repair costs and increases the availability of your wheeled excavator When doing any work on the wheeled excavator, always observe the instructions given in the Workshop Manual. Extensive works not describe in the New Holland Workshop Manual would be done for you by your dealer. Always use original spare parts only.












